


優利德
MSO7000X系列高帶寬混合信號示波器,擁有非凡的性能指標,全面細致的分析功能,人性化的觸控體驗,助您在科技的海洋無限探索。 2GHz帶寬是高端示波器的起點,MSO7000X系列帶寬高達2.5GHz,在高速信號分析中有明顯
2GHz帶寬是高端示波器的起點,MSO7000X系列帶寬高達2.5GHz,在高速信號分析中有明顯的優勢。MSO7000X波形捕獲率高達2,000,000 wfms/s,結合1Gpts超長存儲深度,顯著提升異常信號捕獲能力,以及波形細節測量和分析能力。搭載Win10 64位操作系統,為用戶提供穩定可擴展的系統平臺,通過提供示波器API接口,顯著提升系統的智能化程度,滿足日益復雜的用戶需求。

MSO7000X系列作為優利德旗艦級示波器,擁有高達2.5GHz模擬帶寬和10GSa/s采樣率,上升時間僅為175ps,結合1Gpts存儲深度,讓您在超長記錄的同時擁有更高的信號保真,以及對波形更真實的整體和細節測量。
任意組合、任意大小、懸浮、下沉、全屏分窗口
-支持波形移動、縮放
-支持窗口拖拽改變布局
-支持彈窗釘住,減少多窗口間頻繁切換
-支持屏幕擴展,提高多任務處理效率!
MSO7000X采用優利德獨創的UltraAcq®技術,可提升實時波形捕獲率至 2,000,000wfms/s
搭配全新的Ultra Phosphor® 3.0超級熒光顯示技術,瞬變信號一覽無余,清晰呈現。
-SCPI遠程控制
-遠程查看和控制
-導出波形文件
-在線瀏覽使用手冊
-支持手機訪問
利用Matlab強大的數學庫,您可以將編譯好的Matlab代碼直接拷貝至示波器運行
運行結果直接顯示在示波器界面
MSO7000X在數學運算方面不亞于世界上任何一臺示波器。
標配:RS-232/422/485/UART、SPI、I2C、 CAN、LIN
選配:CAN-FD、SENT、FlexRay、AUDIO(I2S,LJ,RJ,TDM)、 MIL-STD-1553、ARINC429
-支持數據觸發和包類型觸發
-支持事件列表和搜索功能
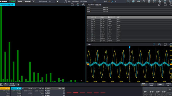
- 輸入分析:電源質量、諧波分析、浪涌電流
- 輸出分析:紋波分析、調制分析、效率、啟動/關閉時間
- 開關分析:開關損耗、安全工作區、di/dt、dv/dt、RDS(on)
- 頻率響應分析:控制環路響應(Bode)、電源抑制比(PSRR)
若您想了解更多,請查閱《高級電源分析》手冊
抖動分析視圖:眼圖、趨勢圖、直方圖、頻譜圖、浴盆曲線
抖動測量:TIE、Cycle-Cycle抖動、周期抖動、 TJ、RJ、
DJ、DDJ、DCD、ISI
支持高速串行協議信號完整性分析:
- USB2.0
- 10/100/1000M工業以太網
- 10/100/1000M車載以太網
- MIPI D-PHY
若您想了解更多,請查閱《高速信號完整性之抖動分析和眼圖》手冊
一致性分析是確保不同廠家生產的同一類接口的互操作性的唯一途徑,但不同接口的一致性測試規范則是由不同協會或機構開發。解讀標準并通過人工進行一致性測試需要花費用戶幾個小時甚至幾天時間,優利德一致性分析軟件則將這個時間縮短至幾分鐘內。
通過不斷更新和契合最新的行業標準,優利德推出以示波器+有源探頭+測試夾具為主的高速協議一致性分析解決方案。
MSO7000X支持的接口協議:
-10/100/1000Base-T
-USB2.0
-10/100/1000Base-T1
